クリストンダイヤモンド工業株式会社は顧客のニーズにマッチしたダイヤモンド・CBN工具を提供いたしております。
日本語
English
中文
03-3759-7405
お問い合せフォーム
HOME
製品情報
カタログ
ニュース
会社案内
資料請求
社長挨拶
会社概要
会社沿革
商品開発の歴史
ダイヤモンドホイール&
CBNホイール
ダイヤモンド&
CBN電着工具
ダイヤモンド&CBN
コンパクトバイト
ダイヤモンドドレッサー
ダイヤモンド
ハンドストーン
その他の製品
ホイールの種類
主な形状・寸法
薄溝加工用ホイール
ダイヤモンドホイール&
CBNホイール
平面&円筒研削用
プロファイル研削用
内面研削用
工具研削用
切断&カッター用
ダイヤモンド&
CBN電着工具
軸付インターナル
ヤスリ&ホイール
ダイヤモンド&
CBNコンパクト工具
ダイヤモンドコンパクト工具
CBNコンパクト工具
耐磨耗部品
天然ダイヤモンドバイト
ダイヤモンドドレッサー
ダイヤモンドハンドストーン
その他の製品
お問い合せは
ここをクリック
お電話は
03-3759-7405
HOME
> 主な形状・寸法
主な形状・寸法
索引
あ~い
い~か
こ~つ
と~の
ひ~ま
ま~り
り
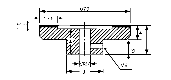
C8702
両頭グラインダー
形状
3A2T
区分
乾式
備考
寸法
70D×12.5W×1X×12.7H
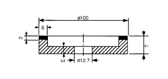
C8703
両頭グラインダー
形状
6A2
区分
乾式
備考
寸法
100D×8W×2X×12.7H
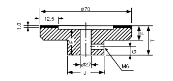
C8704
両頭グラインダー
形状
11A2
区分
備考
寸法
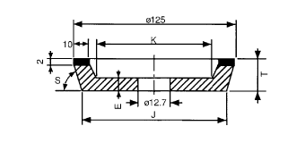
125D×10W×2X×12.7H
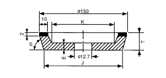
C8705
両頭グラインダー
形状
11A2
区分
備考
寸法
150D×10W×2X×12.7H
▲このページの上へ