HOME > 主な形状・寸法
主な形状・寸法
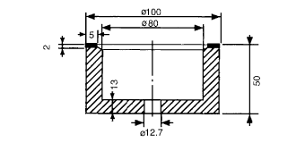
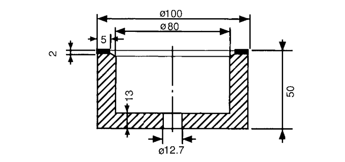
| C3001昼間 SS 彫刻バイト | |||||
| 形状 | 6A2 | 区分 | 乾式 | 備考 | |
|---|---|---|---|---|---|
| 寸法 | 100D×5W×2X×12.7H | ||||
![]() |
|||||
| C3002昼間 SS 彫刻バイト | |||||
| 形状 | 6A9 | 区分 | 乾式 | 備考 | |
|---|---|---|---|---|---|
| 寸法 | 100D×5U×2X×12.7H | ||||
![]() |
|||||
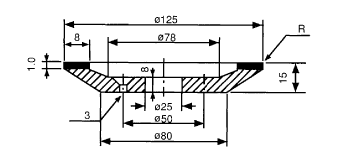
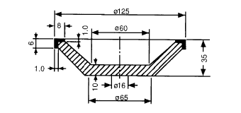
| C3101富士ダイヤ FG-3 | |||||
| 形状 | 12C9C | 区分 | 乾湿両用 | 備考 | 三ツ穴 |
|---|---|---|---|---|---|
| 寸法 | 125D×8W×3U×1X×25H | ||||
![]() |
|||||
| C3102富士ダイヤ FG-3 | |||||
| 形状 | 12A2C | 区分 | 乾湿両用 | 備考 | 三ツ穴 |
|---|---|---|---|---|---|
| 寸法 | 125D×8W×1×25H | ||||
![]() |
|||||
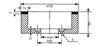
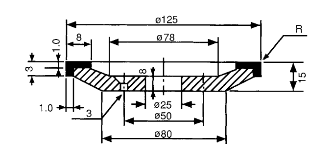
| C3201藤田 SS DG-25B ドリル | |||||
| 形状 | 6A2C | 区分 | 湿式 | 備考 | |
|---|---|---|---|---|---|
| 寸法 | 125D×19W×2X×38H | ||||
![]() |
|||||
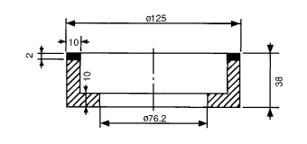
| C3202藤田 SS DG-07A・BX 03BX、 ドリル | |||||
| 形状 | 6A2 | 区分 | 湿式 | 備考 | |
|---|---|---|---|---|---|
| 寸法 | 125D×10W×2X×76.2H | ||||
![]() |
|||||
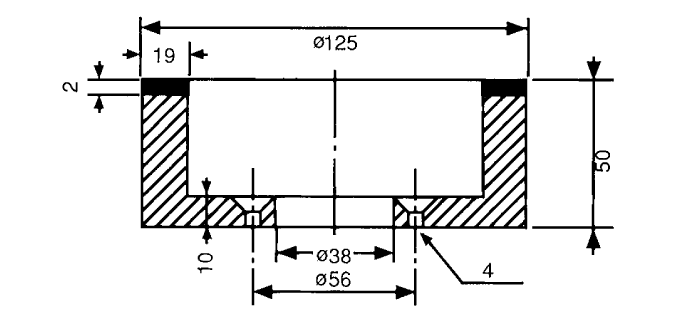
| C3401北辰 KG-CH・A1F | |||||
| 形状 | 6A2 | 区分 | 湿式 | 備考 | |
|---|---|---|---|---|---|
| 寸法 | 150D×10W×1X×50H | ||||
![]() |
|||||
| C3402北辰 KG-CH・A3F | |||||
| 形状 | 14A1 | 区分 | 湿式 | 備考 | |
|---|---|---|---|---|---|
| 寸法 | 150D×5U×1.5X×50H | ||||
![]() |
|||||
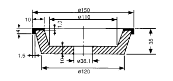
| C4101細井 HDG | |||||
| 形状 | 11C9 | 区分 | 備考 | ||
|---|---|---|---|---|---|
| 寸法 | 150D×10W×1X×4U×1.5X×38.1H | ||||
![]() |
|||||
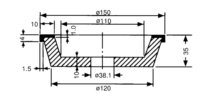
| C4102細井 HDG | |||||
| 形状 | 1A1 | 区分 | 備考 | ||
|---|---|---|---|---|---|
| 寸法 | 150D×13T×3X×38.1H | ||||
![]() |
|||||
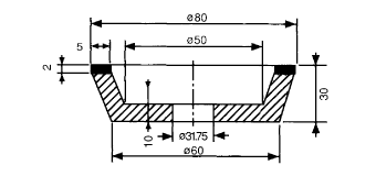
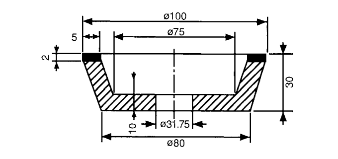
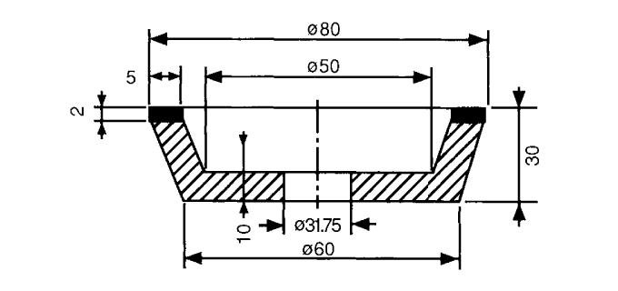
| C3501マキノ C-40・25 | |||||
| 形状 | 11A2 | 区分 | 乾式 | 備考 | |
|---|---|---|---|---|---|
| 寸法 | 80D×5W×2X×31.75H | ||||
![]() |
|||||
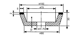
| C3502マキノ C-40・25 | |||||
| 形状 | 11A2 | 区分 | 乾式 | 備考 | |
|---|---|---|---|---|---|
| 寸法 | 100D×5W×2X×31.75H | ||||
![]() |
|||||
| C3503マキノ C-40・25 | |||||
| 形状 | 11A2 | 区分 | 乾式 | 備考 | |
|---|---|---|---|---|---|
| 寸法 | 125D×10W×1.5X×31.75H | ||||
![]() |
|||||
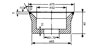
| C3504マキノ C-40・25 | |||||
| 形状 | 6V9 | 区分 | 乾湿両用 | 備考 | |
|---|---|---|---|---|---|
| 寸法 | 75D×5U×2X×70°×31.75H | ||||
![]() |
|||||
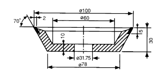
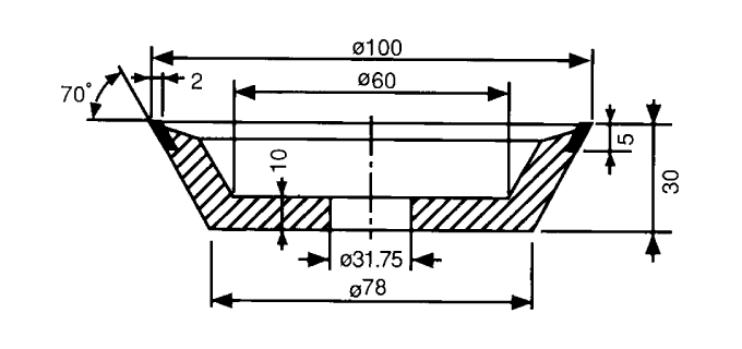
| C3505マキノ C-40・25 | |||||
| 形状 | 11V9 | 区分 | 乾式 | 備考 | |
|---|---|---|---|---|---|
| 寸法 | 100D×5U×2X×70°×31.75H | ||||
![]() |
|||||
| C3601松沢 MZ-3.8 | |||||
| 形状 | 11C9 | 区分 | 乾式 | 備考 | |
|---|---|---|---|---|---|
| 寸法 | 125D×8W×6U×1X×16H | ||||
![]() |
|||||

















