クリストンダイヤモンド工業株式会社は顧客のニーズにマッチしたダイヤモンド・CBN工具を提供いたしております。
日本語
English
中文
03-3759-7405
お問い合せフォーム
HOME
製品情報
カタログ
ニュース
会社案内
資料請求
社長挨拶
会社概要
会社沿革
商品開発の歴史
ダイヤモンドホイール&
CBNホイール
ダイヤモンド&
CBN電着工具
ダイヤモンド&CBN
コンパクトバイト
ダイヤモンドドレッサー
ダイヤモンド
ハンドストーン
その他の製品
ホイールの種類
主な形状・寸法
薄溝加工用ホイール
お問い合せは
ここをクリック
お電話は
03-3759-7405
HOME
> ホイールの種類
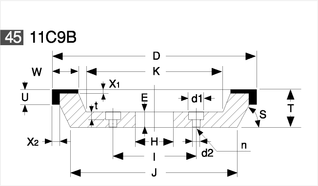
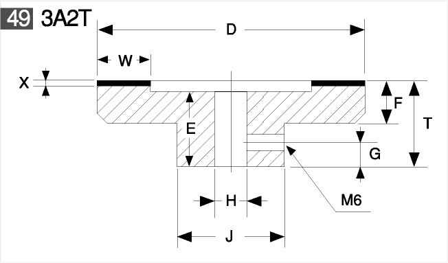
ホイールの種類
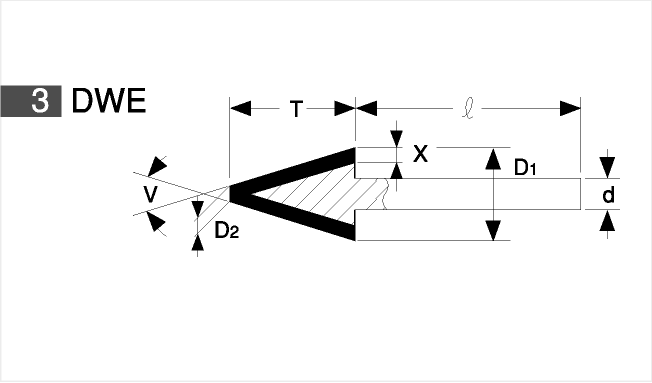
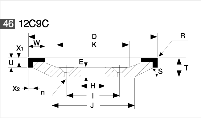
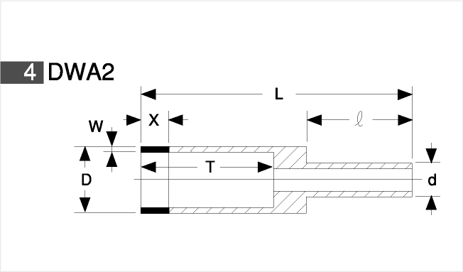
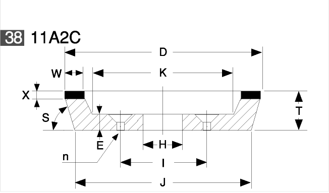
ホイールの基本形状
※各々の基本形状をクリックすると拡大します。
▲このページの上へ