HOME > 薄溝加工用ホイール
薄溝加工用ホイール
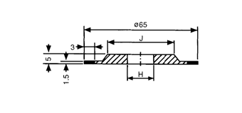
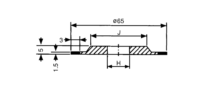
| φ65プロファイル 岡本・アマダ 和井田 | |||||
| 形状 | 3A1 | 区分 | 備考 | 24H | |
|---|---|---|---|---|---|
| 寸法 | 65D×1.5U×3X×22.23H | ||||
![]() |
|||||
| φ75プロファイル 岡本・アマダ 和井田 | |||||
| 形状 | 3A1 | 区分 | 備考 | 24H | |
|---|---|---|---|---|---|
| 寸法 | 75D×1.5U×3X×22.23H | ||||
![]() |
|||||
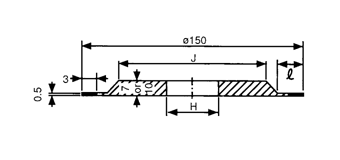
| φ150プロファイル 岡本・アマダ 和井田 | |||||
| 形状 | 3A1 | 区分 | 乾式 | 備考 | |
|---|---|---|---|---|---|
| 寸法 | 150D×0.5U×3X×32H 150D×0.5U×3X×31.75H |
||||
![]() |
|||||
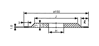
| φ150プロファイル 岡本・アマダ 和井田 | |||||
| 形状 | 3A1 | 区分 | 備考 | 乾式 | |
|---|---|---|---|---|---|
| 寸法 | 150D×1.0U×3X×32H 150D×1.0U×3X×31.75H |
||||
![]() |
|||||
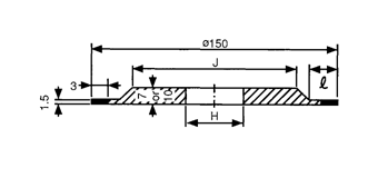
| φ150プロファイル 岡本・アマダ 和井田 | |||||
| 形状 | 3A1 | 区分 | 備考 | 乾式 | |
|---|---|---|---|---|---|
| 寸法 | 150D×1.5U×3X×32H 150D×1.5U×3X×31.75H |
||||
![]() |
|||||
| φ180プロファイル 岡本・アマダ 和井田 | |||||
| 形状 | 3A1 | 区分 | 備考 | ||
|---|---|---|---|---|---|
| 寸法 | 180D×0.5U×3X×32H 180D×0.5U×3X×31.75H |
||||
![]() |
|||||
| φ180プロファイル 岡本・アマダ 和井田 | |||||
| 形状 | 3A1 | 区分 | 備考 | ||
|---|---|---|---|---|---|
| 寸法 | 180D×1.0U×3X×32H 180D×1.0U×3X×31.75H |
||||
![]() |
|||||
| φ180プロファイル 岡本・アマダ 和井田 | |||||
| 形状 | 3A1 | 区分 | 備考 | ||
|---|---|---|---|---|---|
| 寸法 | 180D×1.5U×3X×32H 180D×1.5U×3X×31.75H |
||||
![]() |
|||||
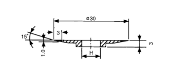
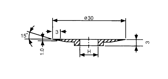
| φ30プロファイル 岡本・アマダ 和井田 | |||||
| 形状 | 1B9 | 区分 | 備考 | ||
|---|---|---|---|---|---|
| 寸法 | 30D×3W×1X×15°×4.77H/8H | ||||
![]() |
|||||
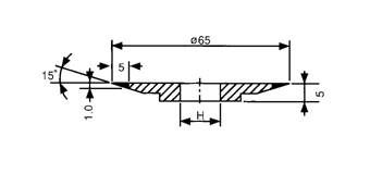
| φ65プロファイル 岡本・アマダ 和井田 | |||||
| 形状 | 1B9 | 区分 | 備考 | ||
|---|---|---|---|---|---|
| 寸法 | 65D×5W×1X×15°×24H/22.23H | ||||
![]() |
|||||
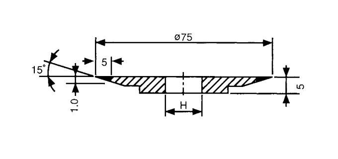
| φ75プロファイル 岡本・アマダ 和井田 | |||||
| 形状 | 1B9 | 区分 | 備考 | ||
|---|---|---|---|---|---|
| 寸法 | 75D×5W×1X×15°×22.23H/24H | ||||
![]() |
|||||
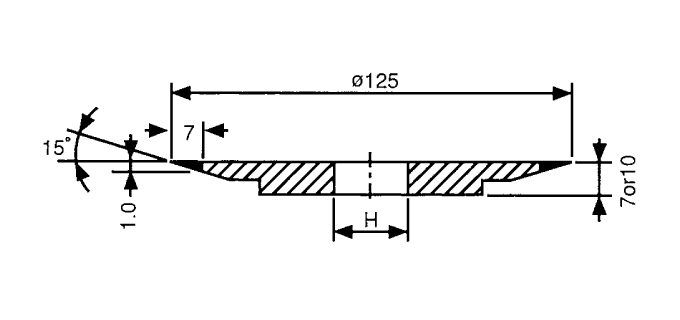
| φ125プロファイル 岡本・アマダ 和井田 | |||||
| 形状 | 1B9 | 区分 | 備考 | ||
|---|---|---|---|---|---|
| 寸法 | 125×7W×1X×15°×32H 125×7W×1X×15°×31.75H |
||||
![]() |
|||||
| φ150プロファイル 岡本・アマダ 和井田 | |||||
| 形状 | 1B9 | 区分 | 備考 | 乾式 | |
|---|---|---|---|---|---|
| 寸法 | 150D×7W×1X×15°×32H 150D×7W×1X×15°×31.75H |
||||
![]() |
|||||
| φ150プロファイル 岡本・アマダ 和井田 | |||||
| 形状 | 1B9 | 区分 | 備考 | 乾式 | |
|---|---|---|---|---|---|
| 寸法 | 150D×7W×1X×15°×32H 150D×7W×1X×15°×31.75H |
||||
![]() |
|||||
| φ180プロファイル 岡本・アマダ 和井田 | |||||
| 形状 | 1B9 | 区分 | 備考 | 乾式 | |
|---|---|---|---|---|---|
| 寸法 | 180D×7W×1X×15°×32H 180D×7W×1X×15°×31.75H |
||||
![]() |
|||||
| φ180プロファイル 岡本・アマダ 和井田 | |||||
| 形状 | 1B9 | 区分 | 備考 | 乾式 | |
|---|---|---|---|---|---|
| 寸法 | 180D×7W×1X×15°×32H 180D×7W×1X×15°×31.75H |
||||
![]() |
|||||
















