クリストンダイヤモンド工業株式会社は顧客のニーズにマッチしたダイヤモンド・CBN工具を提供いたしております。
日本語
English
中文
03-3759-7405
お問い合せフォーム
HOME
製品情報
カタログ
ニュース
会社案内
資料請求
社長挨拶
会社概要
会社沿革
商品開発の歴史
ダイヤモンドホイール&
CBNホイール
ダイヤモンド&
CBN電着工具
ダイヤモンド&CBN
コンパクトバイト
ダイヤモンドドレッサー
ダイヤモンド
ハンドストーン
その他の製品
ホイールの種類
主な形状・寸法
薄溝加工用ホイール
ダイヤモンドホイール&
CBNホイール
平面&円筒研削用
プロファイル研削用
内面研削用
工具研削用
切断&カッター用
ダイヤモンド&
CBN電着工具
軸付インターナル
ヤスリ&ホイール
ダイヤモンド&
CBNコンパクト工具
ダイヤモンドコンパクト工具
CBNコンパクト工具
耐磨耗部品
天然ダイヤモンドバイト
ダイヤモンドドレッサー
ダイヤモンドハンドストーン
その他の製品
お問い合せは
ここをクリック
お電話は
03-3759-7405
HOME
>
ダイヤモンド&CBN電着工具
> 軸付インターナル
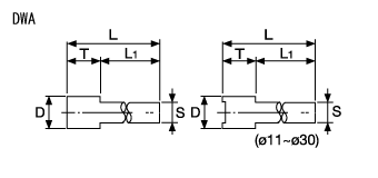
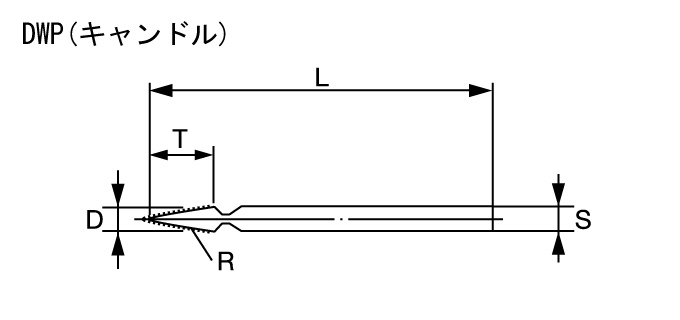
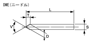
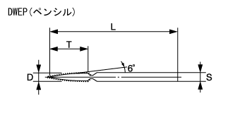
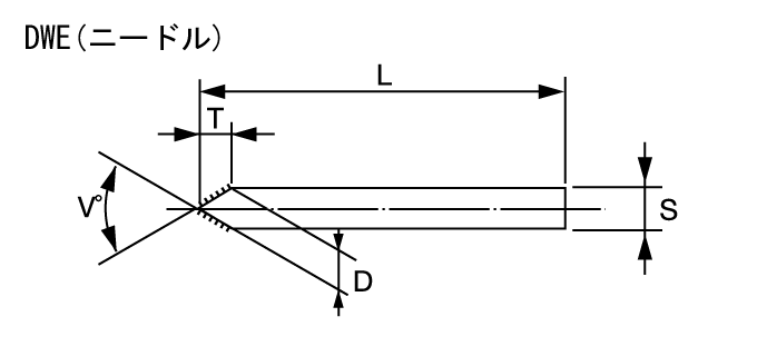
軸付インターナル/電着工具
軸付けインターナル
軸付けインターナルは内面研削での精密研削などに使用されます。標準品は在庫があります。標準品以外の寸法及び特殊形状は、下記のDWE及びDWFのバリエーションのようにあらゆる形状のものが製作されています。
台金支給での製作は値段も安価になり納期も短縮できます。
標準規格品 ー 形状
各種製作例
▲このページの上へ