HOME > 主な形状・寸法
主な形状・寸法
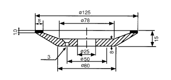
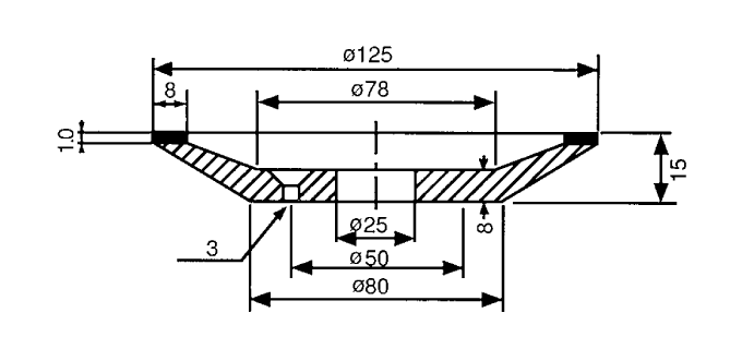
| C0101旭ダイヤエースSDG-3S | |||||
| 形状 | 12A2C | 区分 | 乾湿両用 | 備考 | 三ツ穴 |
|---|---|---|---|---|---|
| 寸法 | 125D×8W×1X×25H | ||||
![]() |
|||||
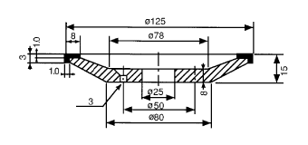
| C0102旭ダイヤエースSDG-3 | |||||
| 形状 | 12C9C | 区分 | 乾湿両用 | 備考 | 三ツ穴 |
|---|---|---|---|---|---|
| 寸法 | 125D×8W×3U×1X×25H | ||||
![]() |
|||||
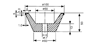
| C0103旭ダイヤエースSDG-3 | |||||
| 形状 | 12AV9C | 区分 | 乾湿両用 | 備考 | 三ツ穴 |
|---|---|---|---|---|---|
| 寸法 | 125D×8W×1X×4U×1.5X×70°×25H | ||||
![]() |
|||||
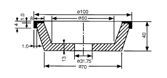
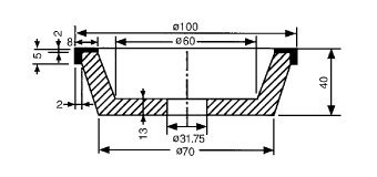
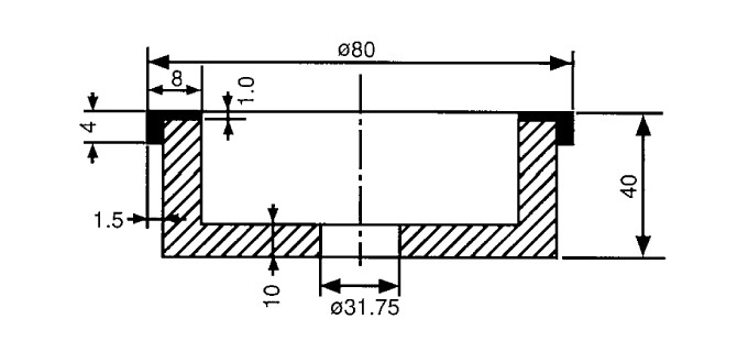
| C0104旭ダイヤ スーパーカット | |||||
| 形状 | 9A3 | 区分 | 湿式 | 備考 | 20T×15E |
|---|---|---|---|---|---|
| 寸法 | 175D×8W×1X×31.75H | ||||
![]() |
|||||
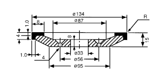
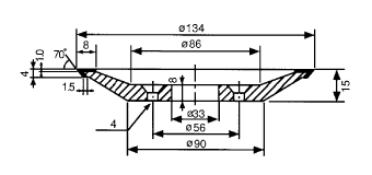
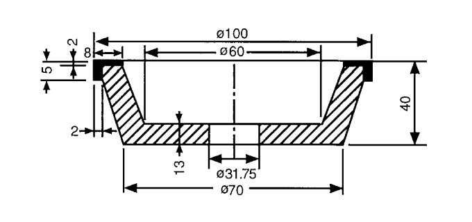
| C0201伊藤ダイヤペットDP-1 | |||||
| 形状 | 12C9C | 区分 | 乾式 | 備考 | 四ツ穴 |
|---|---|---|---|---|---|
| 寸法 | 134D×8W×4U×1X×33H | ||||
![]() |
|||||
| C0202伊藤ダイヤペットDP-2N・2NS | |||||
| 形状 | 12C9C | 区分 | 乾式 | 備考 | 四ツ穴 |
|---|---|---|---|---|---|
| 寸法 | 125D×8W×4U×1X×33H | ||||
![]() |
|||||
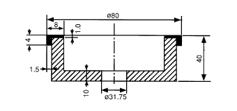
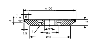
| C0203伊藤ダイヤペットDP-3 | |||||
| 形状 | 6C9 | 区分 | 乾式 | 備考 | |
|---|---|---|---|---|---|
| 寸法 | 80D×8W×1X×4U×1.5X×31.75H | ||||
![]() |
|||||
| C0204伊藤ダイヤペットDP-3N | |||||
| 形状 | 11C9 | 区分 | 乾式 | 備考 | |
|---|---|---|---|---|---|
| 寸法 | 100D×8W×4U×1X×31.75H | ||||
![]() |
|||||
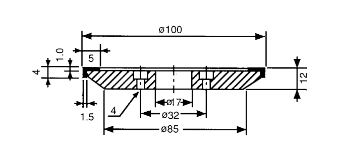
| C0205伊藤ダイヤペットDP-520・620 | |||||
| 形状 | 11C9 | 区分 | 乾式 | 備考 | |
|---|---|---|---|---|---|
| 寸法 | 100D×8W×5U×2X×31.75H | ||||
![]() |
|||||
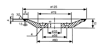
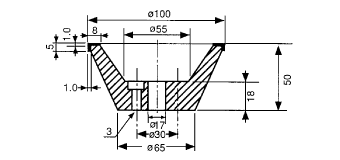
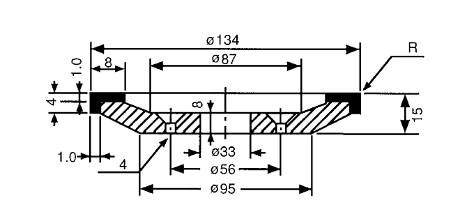
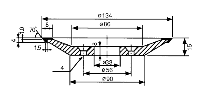
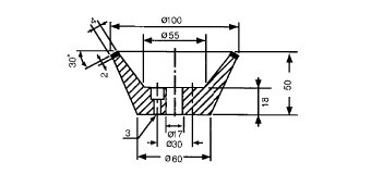
| C0206伊藤ダイヤペットDP-1 | |||||
| 形状 | 12AV9C | 区分 | 乾式 | 備考 | 四ツ穴 |
|---|---|---|---|---|---|
| 寸法 | 134D×8W×1X×4U×1.5X×70°×33H | ||||
![]() |
|||||
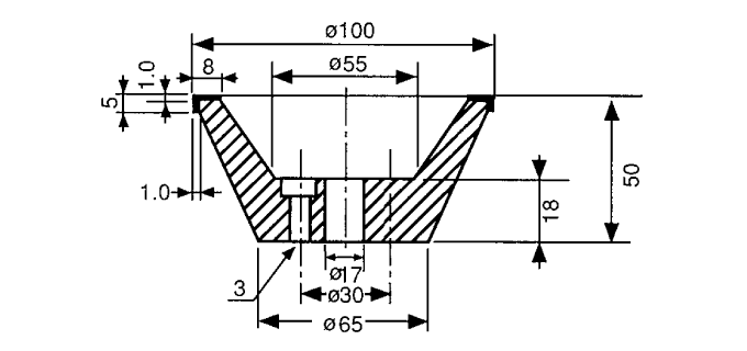
| C0207伊藤ダイヤペットDP-2N・2NS | |||||
| 形状 | 12AV9C | 区分 | 乾式 | 備考 | 四ツ穴 |
|---|---|---|---|---|---|
| 寸法 | 125D×8W×1X×4U×1.5X×70°×33H | ||||
![]() |
|||||
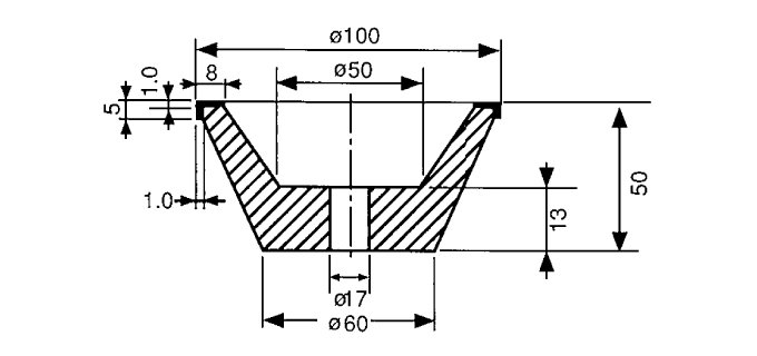
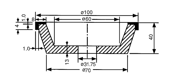
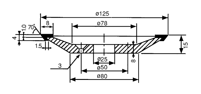
| C0301飯田オオロラGT-200A・U | |||||
| 形状 | 11C9 | 区分 | 乾式 | 備考 | |
|---|---|---|---|---|---|
| 寸法 | 100D×8W×5U×1X×17H | ||||
![]() |
|||||
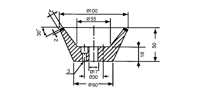
| C0302飯田オオロラGT-200FR/GT-300FL | |||||
| 形状 | 11C9B | 区分 | 乾式 | 備考 | 三ツ穴 |
|---|---|---|---|---|---|
| 寸法 | 100D×8W×5U×1X×17H | ||||
![]() |
|||||
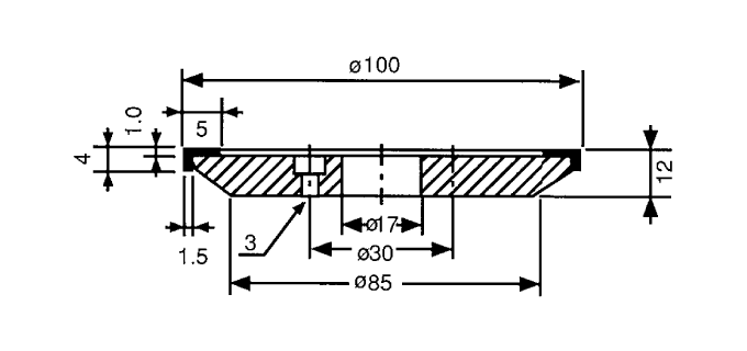
| C0303飯田オオロラG-3 | |||||
| 形状 | 4C9B | 区分 | 乾式 | 備考 | 四ツ穴 |
|---|---|---|---|---|---|
| 寸法 | 100D×5W×1X×4U×1.5X×17H | ||||
![]() |
|||||
| C0304飯田オオロラG-3F | |||||
| 形状 | 4C9B | 区分 | 乾式 | 備考 | 三ツ穴 |
|---|---|---|---|---|---|
| 寸法 | 100D×5W×1X×4U×1.5X×17H | ||||
![]() |
|||||
| C0305飯田オオロラGT-200FC | |||||
| 形状 | 11V5B | 区分 | 乾式 | 備考 | エンドミル |
|---|---|---|---|---|---|
| 寸法 | 100D×4W×2X×30°×17H | ||||
![]() |
|||||

















