HOME > 主な形状・寸法
主な形状・寸法
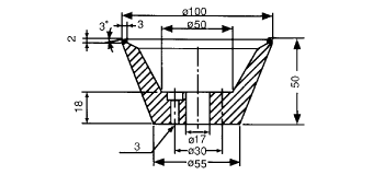
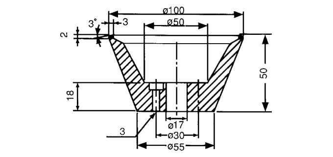
| C0306飯田オオロラGE-120S | |||||
| 形状 | 11V5B | 区分 | 乾式 | 備考 | 三ツ穴 |
|---|---|---|---|---|---|
| 寸法 | 100D×3W×2X×3°×17H | ||||
![]() |
|||||
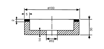
| C0401飯田SS彫刻バイト | |||||
| 形状 | 6A2 | 区分 | 乾式 | 備考 | |
|---|---|---|---|---|---|
| 寸法 | 100D×5W×2X×16H | ||||
![]() |
|||||
| C0402飯田SS彫刻バイト | |||||
| 形状 | 6A9 | 区分 | 乾式 | 備考 | |
|---|---|---|---|---|---|
| 寸法 | 100D×5U×2X×16H | ||||
![]() |
|||||
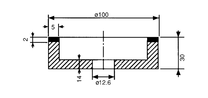
| C0501石塚精機 彫刻バイト | |||||
| 形状 | 6A2 | 区分 | 乾式 | 備考 | |
|---|---|---|---|---|---|
| 寸法 | 100D×5W×2X×12.6H | ||||
![]() |
|||||
| C0502石塚精機 彫刻バイト | |||||
| 形状 | 6A9 | 区分 | 乾式 | 備考 | |
|---|---|---|---|---|---|
| 寸法 | 100D×5U×2X×12.6H | ||||
![]() |
|||||
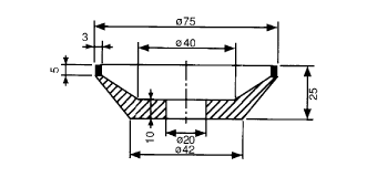
| C0601エワーグ WS11-SP | |||||
| 形状 | 12A2 | 区分 | 乾式 | 備考 | |
|---|---|---|---|---|---|
| 寸法 | 75D×3W×5X×20H | ||||
![]() |
|||||
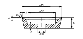
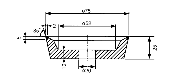
| C0602エワーグ WS11-SP | |||||
| 形状 | 11V9 | 区分 | 乾式 | 備考 | |
|---|---|---|---|---|---|
| 寸法 | 75D×5U×2X×85°×20H | ||||
![]() |
|||||
| C0603エワーグ WS11-SP | |||||
| 形状 | 14A1 | 区分 | 乾式 | 備考 | |
|---|---|---|---|---|---|
| 寸法 | 75D×5U×2X×20H | ||||
![]() |
|||||
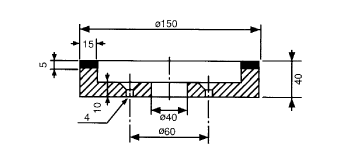
| C0801大阪ダイヤ CPG-500 コンパクトバイト | |||||
| 形状 | 6A2C | 区分 | 湿式 | 備考 | 四ツ穴 |
|---|---|---|---|---|---|
| 寸法 | 150D×15W×5X×40H | ||||
![]() |
|||||
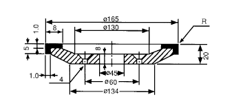
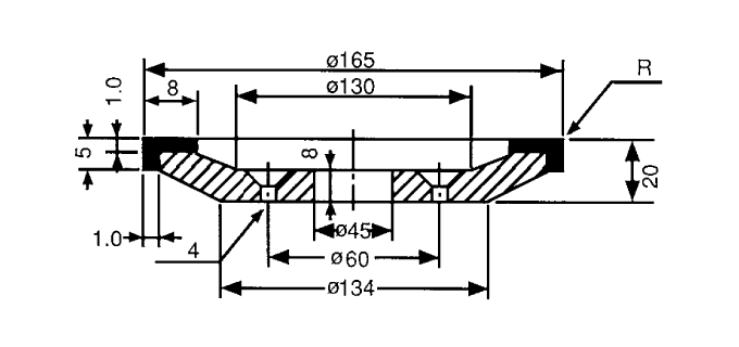
| C0901オリエンタルダイヤコメット200C | |||||
| 形状 | 12C9C | 区分 | 乾式 | 備考 | 四ツ穴 |
|---|---|---|---|---|---|
| 寸法 | 165D×8W×5U×1X×45H | ||||
![]() |
|||||
| C0902オリエンタルダイヤコメット200A | |||||
| 形状 | 14A1C | 区分 | 乾式 | 備考 | 四ツ穴 |
|---|---|---|---|---|---|
| 寸法 | 150D×4U×1.5X×45H | ||||
![]() |
|||||
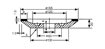
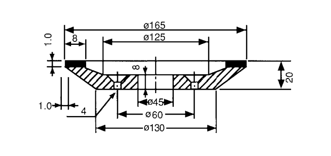
| C0903オリエンタルダイヤコメット200C | |||||
| 形状 | 12A2C | 区分 | 乾式 | 備考 | 四ツ穴 |
|---|---|---|---|---|---|
| 寸法 | 165D×8W×1X×45H | ||||
![]() |
|||||
| C1101関東理化 ダイヤスターミニ XB-74 | |||||
| 形状 | 12C9C | 区分 | 乾式 | 備考 | 四ツ穴 |
|---|---|---|---|---|---|
| 寸法 | 150D×15W×2X×31.75H | ||||
![]() |
|||||
| C1102関東理化 XB-77・77R | |||||
| 形状 | 6A2C | 区分 | 湿式 | 備考 | 四ツ穴 |
|---|---|---|---|---|---|
| 寸法 | 150D×15W×2X×31.75H | ||||
![]() |
|||||
| C1201カワラギ MK-32DU | |||||
| 形状 | 6A2 | 区分 | 乾式 | 備考 | |
|---|---|---|---|---|---|
| 寸法 | 125D×15W×2X×31.75H | ||||
![]() |
|||||
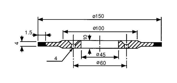
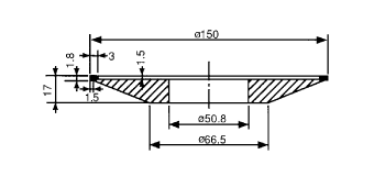
| C1301樫藤 KG-250 | |||||
| 形状 | 4C9 | 区分 | 湿式 | 備考 | |
|---|---|---|---|---|---|
| 寸法 | 150D×3W×1.8U×1.5X×50.8H | ||||
![]() |
|||||
















