HOME > 主な形状・寸法
主な形状・寸法
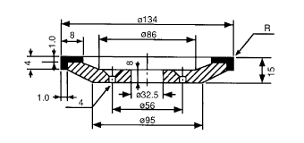
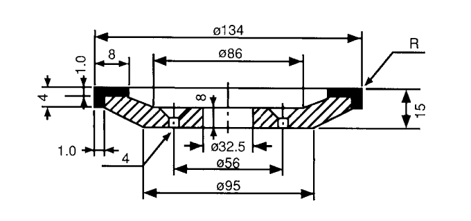
| C2301東京精密トーダイヤHMB-32 | |||||
| 形状 | 12C9C | 区分 | 乾式 | 備考 | 四ツ穴 |
|---|---|---|---|---|---|
| 寸法 | 134D×8W×4U×1X×32.5H | ||||
![]() |
|||||
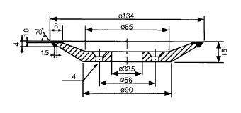
| C2302東京精密トーダイヤHMB-32 | |||||
| 形状 | 12AV9C | 区分 | 乾式 | 備考 | 四ツ穴 |
|---|---|---|---|---|---|
| 寸法 | 134D×8W×1X×4U×1.5X×70°×32.5H | ||||
![]() |
|||||
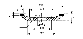
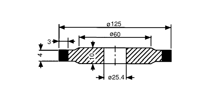
| C2401東芝タンガロイ TFG-300S | |||||
| 形状 | 12C9C | 区分 | 乾湿両用 | 備考 | 三ツ穴 |
|---|---|---|---|---|---|
| 寸法 | 125D×8W×3U×1X×25H | ||||
![]() |
|||||
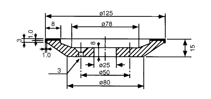
| C2402東芝タンガロイ TFG-300A | |||||
| 形状 | 12A2C | 区分 | 乾湿両用 | 備考 | 三ツ穴 |
|---|---|---|---|---|---|
| 寸法 | 125D×8W×1X×25H | ||||
![]() |
|||||
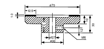
| C2403東芝タンガロイ スクレッパー | |||||
| 形状 | 3A2T | 区分 | 乾式 | 備考 | |
|---|---|---|---|---|---|
| 寸法 | 70D×12.5W×0.5X×12.7H | ||||
![]() |
|||||
| C2404東芝タンガロイ スクレッパー | |||||
| 形状 | 3A2T | 区分 | 乾式 | 備考 | |
|---|---|---|---|---|---|
| 寸法 | 70D×12.5W×1X×12.7H | ||||
![]() |
|||||
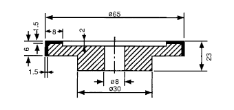
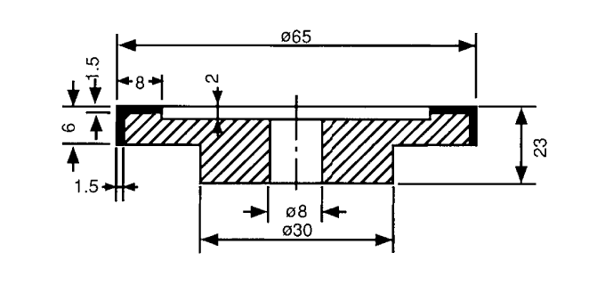
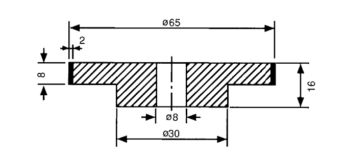
| C2601ナショナルベビー DG | |||||
| 形状 | 3A1 | 区分 | 乾式 | 備考 | |
|---|---|---|---|---|---|
| 寸法 | 65D×8U×2X×8H | ||||
![]() |
|||||
| C2602ナショナルベビー DG | |||||
| 形状 | 3C9 | 区分 | 乾式 | 備考 | |
|---|---|---|---|---|---|
| 寸法 | 65D×8W×6U×1.5X×8H | ||||
![]() |
|||||
| C2701日本精密 EG-100 | |||||
| 形状 | 6A2B | 区分 | 乾式 | 備考 | |
|---|---|---|---|---|---|
| 寸法 | 45D×2.5W×2X×24H | ||||
![]() |
|||||
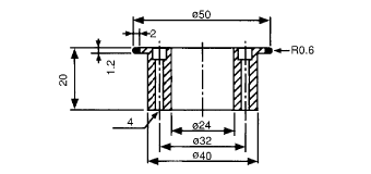
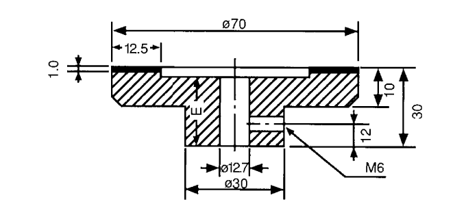
| C2702日本精密 EG-100 | |||||
| 形状 | 3F1B | 区分 | 乾式 | 備考 | |
|---|---|---|---|---|---|
| 寸法 | 50D×1.2U×2X×0.6R×24H | ||||
![]() |
|||||
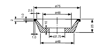
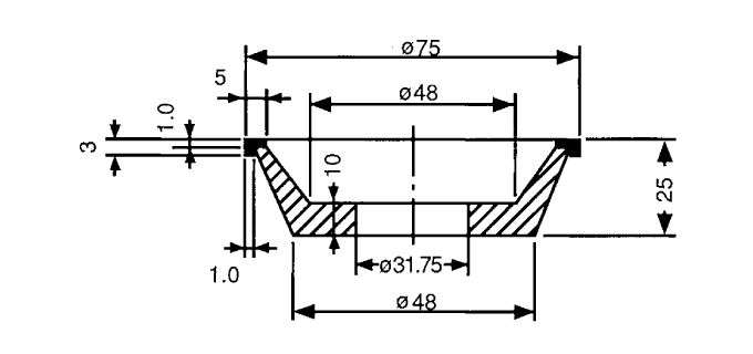
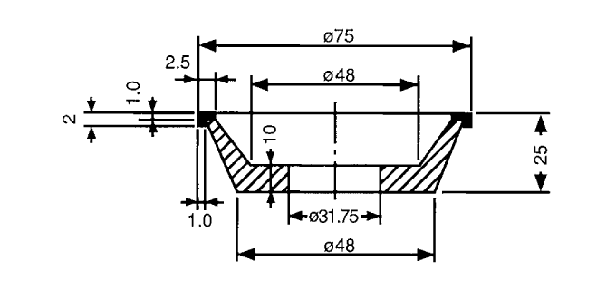
| C2703日本精密 EG-100 | |||||
| 形状 | 11C9 | 区分 | 乾式 | 備考 | |
|---|---|---|---|---|---|
| 寸法 | 75D×2.5W×2U×1X×31.75H | ||||
![]() |
|||||
| C2704日本精密 EG-100 | |||||
| 形状 | 11C9 | 区分 | 乾式 | 備考 | |
|---|---|---|---|---|---|
| 寸法 | 75D×5W×3U×1X×31.75H | ||||
![]() |
|||||
| C2705日本精密 EG-100 | |||||
| 形状 | 11C9 | 区分 | 乾式 | 備考 | |
|---|---|---|---|---|---|
| 寸法 | 100D×5W×3U×1X×31.75H | ||||
![]() |
|||||
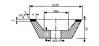
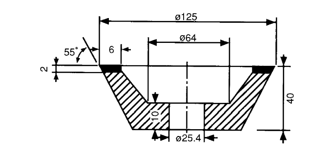
| C2801日本超硬 アロイメイト | |||||
| 形状 | 11B2 | 区分 | 乾式 | 備考 | |
|---|---|---|---|---|---|
| 寸法 | 125D×6W×2X×55°×25.4H | ||||
![]() |
|||||
| C2802日本超硬 アロイメイト | |||||
| 形状 | 14A1 | 区分 | 乾式 | 備考 | |
|---|---|---|---|---|---|
| 寸法 | 125D×4U×3X×25.4H | ||||
![]() |
|||||
| C2901野村 CN-150 | |||||
| 形状 | 9A3 | 区分 | 湿式 | 備考 | 25T |
|---|---|---|---|---|---|
| 寸法 | 150D×7W×1X×20H | ||||
![]() |
|||||

















