HOME > 主な形状・寸法
主な形状・寸法
| C3602松沢 MZ-3BG | |||||
| 形状 | 14A1 | 区分 | 乾式 | 備考 | |
|---|---|---|---|---|---|
| 寸法 | 150D×5U×3X×31.75H | ||||
![]() |
|||||
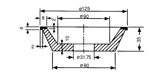
| C3603松沢 MZ-3・8BG | |||||
| 形状 | 11C9 | 区分 | 湿式 | 備考 | |
|---|---|---|---|---|---|
| 寸法 | 125D×8W×4U×2X×31.75H | ||||
![]() |
|||||
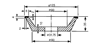
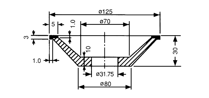
| C3604松沢 MZ-3・8BG | |||||
| 形状 | 11V9 | 区分 | 乾式 | 備考 | |
|---|---|---|---|---|---|
| 寸法 | 125D×5U×3X×70°×31.75H | ||||
![]() |
|||||
| C3701村橋グレートキャプテンCG-7 | |||||
| 形状 | 11C9 | 区分 | 乾式 | 備考 | |
|---|---|---|---|---|---|
| 寸法 | 125D×5W×3U×1X×31.75H | ||||
![]() |
|||||
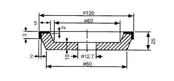
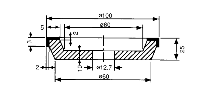
| C3702村橋ダイヤボール 8 | |||||
| 形状 | 11C9 | 区分 | 乾式 | 備考 | |
|---|---|---|---|---|---|
| 寸法 | 100D×5W×3U×2X×12.7H | ||||
![]() |
|||||
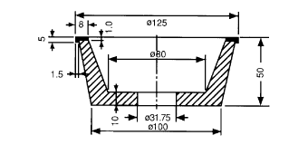
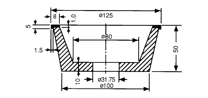
| C3801大和ニュースプロフィトCG-200 | |||||
| 形状 | 11C9 | 区分 | 乾式 | 備考 | |
|---|---|---|---|---|---|
| 寸法 | 125D×8W×1X×5U×1.5X×31.75H | ||||
![]() |
|||||
| C3802大和ニュースプロフィトCG-200 | |||||
| 形状 | 11AV9 | 区分 | 乾式 | 備考 | |
|---|---|---|---|---|---|
| 寸法 | 125D×8W×5U×1.5X×70°×31.75H | ||||
![]() |
|||||
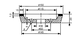
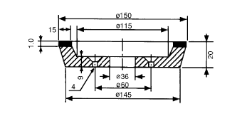
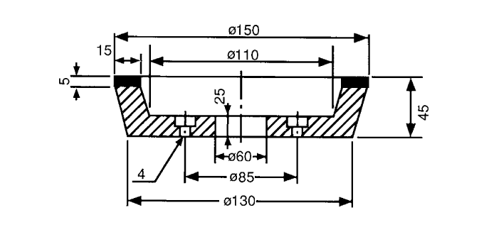
| C3901和井田 DW-31S | |||||
| 形状 | 11A2C | 区分 | 湿式 | 備考 | 四ツ穴 |
|---|---|---|---|---|---|
| 寸法 | 150D×15W×1X×36H | ||||
![]() |
|||||
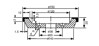
| C3902和井田 DW-31S | |||||
| 形状 | 11A2C | 区分 | 湿式 | 備考 | 四ツ穴 |
|---|---|---|---|---|---|
| 寸法 | 150D×15W×1X×36H | ||||
![]() |
|||||
| C3903和井田 DW-31S | |||||
| 形状 | 1A1H | 区分 | 湿式 | 備考 | 四ツ穴 |
|---|---|---|---|---|---|
| 寸法 | 120D×3.5T×1.7X×36H | ||||
![]() |
|||||
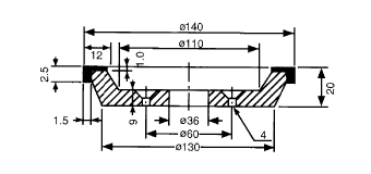
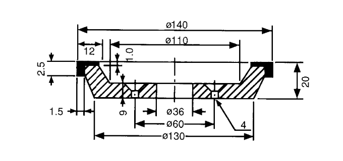
| C3904和井田 自動盤バイト | |||||
| 形状 | 11C9C | 区分 | 湿式 | 備考 | 四ツ穴 |
|---|---|---|---|---|---|
| 寸法 | 150D×12W×1X×2U×1.5X×36H | ||||
![]() |
|||||
| C3905和井田 DW-70 | |||||
| 形状 | 11C9C | 区分 | 乾式 | 備考 | 四ツ穴 |
|---|---|---|---|---|---|
| 寸法 | 100D×8W×3U×1.5X×36H | ||||
![]() |
|||||
| C3906和井田 DW-55 | |||||
| 形状 | 11C9C | 区分 | 湿式 | 備考 | 四ツ穴 |
|---|---|---|---|---|---|
| 寸法 | 140D×12W×1X×2.5U×1.5×36H | ||||
![]() |
|||||
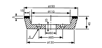
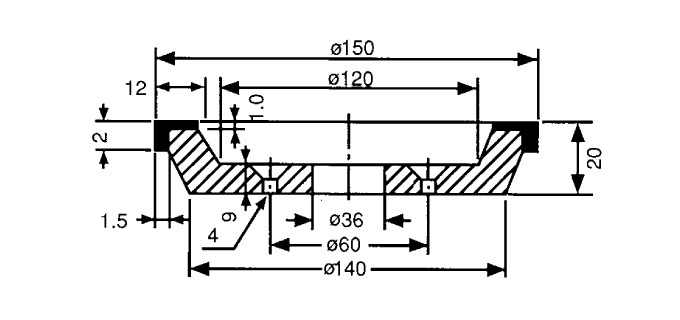
| C3907和井田 DCG-2 コンパクトバイト | |||||
| 形状 | 11A2B | 区分 | 湿式 | 備考 | 四ツ穴 |
|---|---|---|---|---|---|
| 寸法 | 150D×15W×5X×60H | ||||
![]() |
|||||
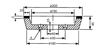
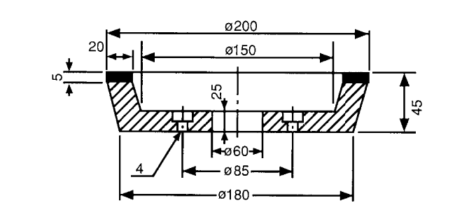
| C3908和井田 DCG-3 コンパクトバイト | |||||
| 形状 | 11A2B | 区分 | 備考 | 四ツ穴 | |
|---|---|---|---|---|---|
| 寸法 | 200D×20W×5X×60H | ||||
![]() |
|||||
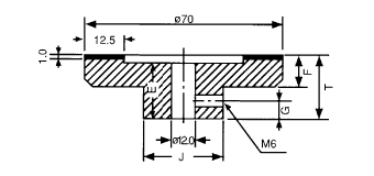
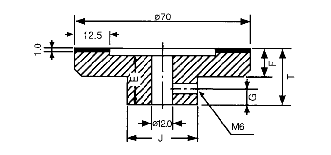
| C8701両頭グラインダー | |||||
| 形状 | 3A2T | 区分 | 乾式 | 備考 | |
|---|---|---|---|---|---|
| 寸法 | 70D×12.5W×1X×12.0H | ||||
![]() |
|||||

















