HOME > 主な形状・寸法
主な形状・寸法
| C1401コパル CG-140.150 | |||||
| 形状 | 14A1 | 区分 | 湿式 | 備考 | |
|---|---|---|---|---|---|
| 寸法 | 125D×3U×3X×19.05H | ||||
![]() |
|||||
| C1402コパル CG-140.150 | |||||
| 形状 | 14A1 | 区分 | 湿式 | 備考 | |
|---|---|---|---|---|---|
| 寸法 | 125D×5U×3X×19.05H | ||||
![]() |
|||||
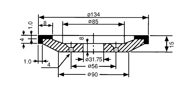
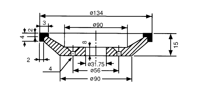
| C1501五味・フジミ G-71 | |||||
| 形状 | 12C9C | 区分 | 乾式 | 備考 | 四ツ穴 |
|---|---|---|---|---|---|
| 寸法 | 134D×8W×4U×1X×31.75H | ||||
![]() |
|||||
| C1502五味・フジミ G-71 | |||||
| 形状 | 12C9C | 区分 | 乾式 | 備考 | 四ツ穴 |
|---|---|---|---|---|---|
| 寸法 | 134D×3W×4U×2X×31.75H | ||||
![]() |
|||||
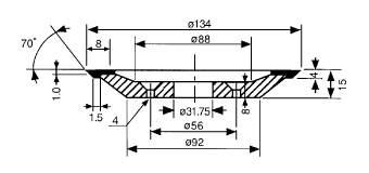
| C1503五味・フジミ G-71 | |||||
| 形状 | 12AV9C | 区分 | 乾式 | 備考 | 四ツ穴 |
|---|---|---|---|---|---|
| 寸法 | 134D×8W×1X×4U×1.5X×70°×31.75H | ||||
![]() |
|||||
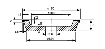
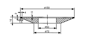
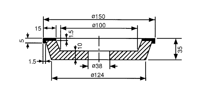
| C1601小出 MUG-150・500 | |||||
| 形状 | 11C9 | 区分 | 湿式 | 備考 | |
|---|---|---|---|---|---|
| 寸法 | 150D×15W×5U×1.5X×38H | ||||
![]() |
|||||
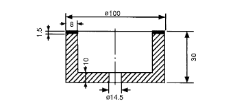
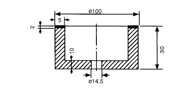
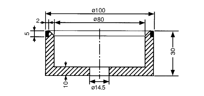
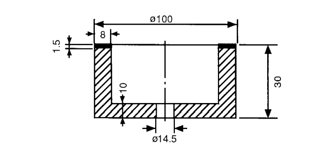
| C1701坂崎鉄工 SG-5 | |||||
| 形状 | 6A2 | 区分 | 乾式 | 備考 | |
|---|---|---|---|---|---|
| 寸法 | 100D×8W×1.5X×14.5H | ||||
![]() |
|||||
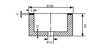
| C1702坂崎鉄工 SG-5・6 | |||||
| 形状 | 6A2 | 区分 | 乾式 | 備考 | |
|---|---|---|---|---|---|
| 寸法 | 100D×5W×2X×14.5H | ||||
![]() |
|||||
| C1703坂崎鉄工 SG-V10 | |||||
| 形状 | 6A2 | 区分 | 乾式 | 備考 | |
|---|---|---|---|---|---|
| 寸法 | 125D×8W×2X×31.75H | ||||
![]() |
|||||
| C1704坂崎鉄工 SG-5・6 | |||||
| 形状 | 6A9 | 区分 | 乾式 | 備考 | |
|---|---|---|---|---|---|
| 寸法 | 100D×5U×2X×14.5H | ||||
![]() |
|||||
| C1801シチズン CG-7 | |||||
| 形状 | 9A3 | 区分 | 湿式 | 備考 | |
|---|---|---|---|---|---|
| 寸法 | 150D×7W×1X×36H | ||||
![]() |
|||||
| C1901スター精密 BG-1 | |||||
| 形状 | 9A3 | 区分 | 湿式 | 備考 | 25T×16E |
|---|---|---|---|---|---|
| 寸法 | 150D×7W×1X×36H | ||||
![]() |
|||||
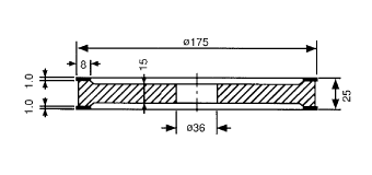
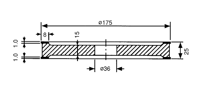
| C1902スター精密 BG-2 | |||||
| 形状 | 9A3 | 区分 | 湿式 | 備考 | 25T×15E |
|---|---|---|---|---|---|
| 寸法 | 175D×8W×1X×36H | ||||
![]() |
|||||
| C2001清和 ホブ研 | |||||
| 形状 | 4C9 | 区分 | 湿式 | 備考 | |
|---|---|---|---|---|---|
| 寸法 | 150D×4W×2U×1.5X×50H | ||||
![]() |
|||||
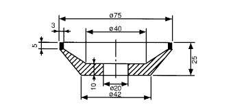
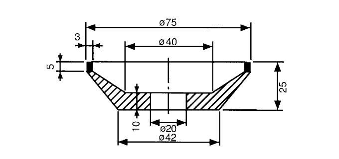
| C2201ツガミ CTG-4 | |||||
| 形状 | 12A2 | 区分 | 乾式 | 備考 | |
|---|---|---|---|---|---|
| 寸法 | 75D×3W×5X×20H | ||||
![]() |
|||||
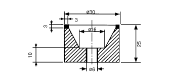
| C2202ツガミ CTG-4 | |||||
| 形状 | 6A2 | 区分 | 備考 | ||
|---|---|---|---|---|---|
| 寸法 | 30D×3W×3X×6H | ||||
![]() |
|||||

















