HOME > 薄溝加工用ホイール
薄溝加工用ホイール
| C8905内面研削 | |||||
| 形状 | DWA | 区分 | 備考 | ||
|---|---|---|---|---|---|
| 寸法 | 5D×5T×1.5X×3d×50L | ||||
![]() |
|||||
| C8906内面研削 | |||||
| 形状 | DWA | 区分 | 備考 | ||
|---|---|---|---|---|---|
| 寸法 | 6D×6T×1.5X×6d×50L | ||||
![]() |
|||||
| C8908内面研削 | |||||
| 形状 | DWA | 区分 | 備考 | ||
|---|---|---|---|---|---|
| 寸法 | 8D×8T×1.5X×6d×50L | ||||
![]() |
|||||
| C8910内面研削 | |||||
| 形状 | DWA | 区分 | 備考 | ||
|---|---|---|---|---|---|
| 寸法 | 10D×10T×1.5X×6d×50L | ||||
![]() |
|||||
| C8912内面研削 | |||||
| 形状 | DWA | 区分 | 備考 | ||
|---|---|---|---|---|---|
| 寸法 | 12D×10T×2X×6d×50L | ||||
![]() |
|||||
| C8915内面研削 | |||||
| 形状 | DWA | 区分 | 備考 | ||
|---|---|---|---|---|---|
| 寸法 | 15D×10T×2X×10d×70L | ||||
![]() |
|||||
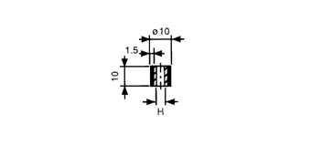
| φ10内面研削 | |||||
| 形状 | 1A1 | 区分 | 備考 | ||
|---|---|---|---|---|---|
| 寸法 | 10D×10T×1.5X×H | ||||
![]() |
|||||
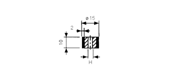
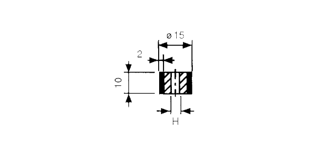
| φ15内面研削 | |||||
| 形状 | 1A1 | 区分 | 備考 | ||
|---|---|---|---|---|---|
| 寸法 | 15D×10T×2X×H | ||||
![]() |
|||||
| φ20内面研削 | |||||
| 形状 | 1A1 | 区分 | 備考 | ||
|---|---|---|---|---|---|
| 寸法 | 20D×10T×2X×H | ||||
![]() |
|||||
| φ20内面研削 | |||||
| 形状 | 1A1 | 区分 | 備考 | ||
|---|---|---|---|---|---|
| 寸法 | 20D×20T×2X×H | ||||
![]() |
|||||
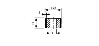
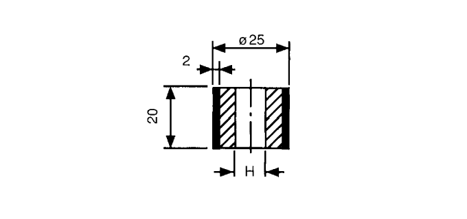
| φ25内面研削 | |||||
| 形状 | 1A1 | 区分 | 備考 | ||
|---|---|---|---|---|---|
| 寸法 | 25D×15T×2X×H | ||||
![]() |
|||||
| φ25内面研削 | |||||
| 形状 | 1A1 | 区分 | 備考 | ||
|---|---|---|---|---|---|
| 寸法 | 25D×20T×2X×H | ||||
![]() |
|||||
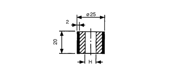
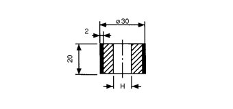
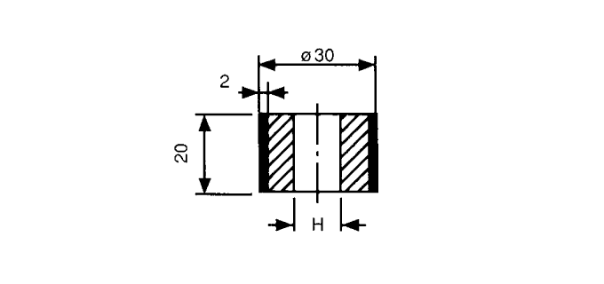
| φ30内面研削 | |||||
| 形状 | 1A1 | 区分 | 備考 | ||
|---|---|---|---|---|---|
| 寸法 | 30D×20T×2X×H | ||||
![]() |
|||||
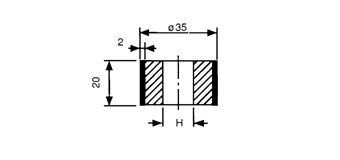
| φ35内面研削 | |||||
| 形状 | 1A1 | 区分 | 備考 | ||
|---|---|---|---|---|---|
| 寸法 | 35D×20T×2X×H | ||||
![]() |
|||||
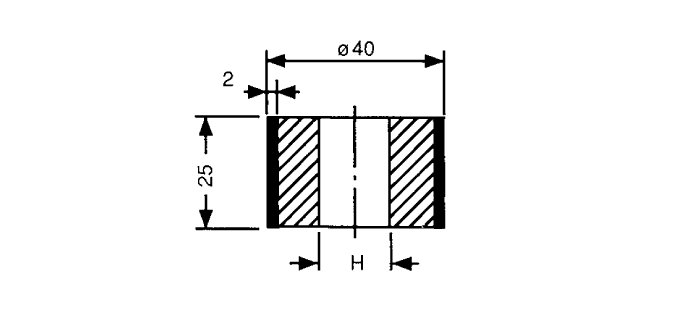
| φ40内面研削 | |||||
| 形状 | 1A1 | 区分 | 備考 | ||
|---|---|---|---|---|---|
| 寸法 | 40D×25T×2X×H | ||||
![]() |
|||||
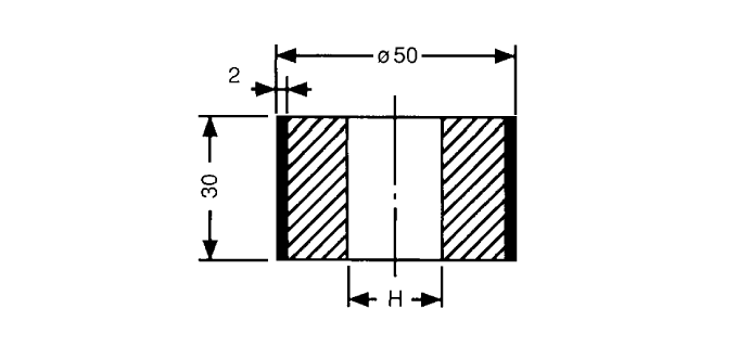
| φ50内面研削 | |||||
| 形状 | 1A1 | 区分 | 備考 | ||
|---|---|---|---|---|---|
| 寸法 | 50D×30T×2X×H | ||||
![]() |
|||||

















