- Diamond wheels&
CBN wheels - For Surface & Cylindrical
- For Profile grinding
- For Internal grinding
- For Tool grinding
- For Sawing & Cutting
- Diamond &
CBN Electroplated tools - Mounted wheels for internal
- Files and wheels
- Diamond &
CBN Compact tools - PCD tools
- PCBN tools
- Wear resistant parts
- Natural Dia. Cut. tools
- Diamond dressers
- Diamond hand-stones
- Other products
- Inquire
- Click Here
- Call us
- +81-3-3759-7405

HOME > Common Shapes & Sizes
Common Shapes & Sizes
| C8702Double Head Grinder | |||||
| Shape | 3A2T | Type | Dry | Other | |
|---|---|---|---|---|---|
| Size | 70D*12.5W*1X*12.7H | ||||
![]() |
|||||
| C8703Double Head Grinder | |||||
| Shape | 6A2 | Type | Dry | Other | |
|---|---|---|---|---|---|
| Size | 100D*8W*2X*12.7H | ||||
![]() |
|||||
| C8704Double Head Grinder | |||||
| Shape | 11A2 | Type | Other | ||
|---|---|---|---|---|---|
| Size | 125D*10W*2X*12.7H | ||||
![]() |
|||||
| C8705Double Head Grinder | |||||
| Shape | 11A2 | Type | Other | ||
|---|---|---|---|---|---|
| Size | 150D*10W*2X*12.7H | ||||
![]() |
|||||
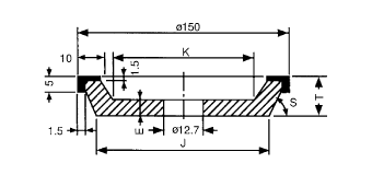
| C8706Double Head Grinder | |||||
| Shape | 11C9 | Type | Other | ||
|---|---|---|---|---|---|
| Size | 150D*10W*5U*1.5X*12.7H | ||||
![]() |
|||||
| C8707Double Head Grinder | |||||
| Shape | 14A1 | Type | Dry | Other | |
|---|---|---|---|---|---|
| Size | 100D*8U*3X*12.7H | ||||
![]() |
|||||
| C8708Double Head Grinder | |||||
| Shape | 14A1 | Type | Dry | Other | |
|---|---|---|---|---|---|
| Size | 125D*10U*3X*12.7H | ||||
![]() |
|||||
| C8709Double Head Grinder | |||||
| Shape | 14A1 | Type | Dry | Other | |
|---|---|---|---|---|---|
| Size | 150D*10U*3X*12.7H | ||||
![]() |
|||||








