HOME > 烧结体车刀(金刚石,立方氮化硼)
烧结体车刀(金刚石,立方氮化硼)
◆烧结体金刚石车刀的特点是优于传统的切削工具,耐磨性强、切削力大、不粘刃。车面质量仅次于天然金刚石。
适于非铁金属和非金属物件的切削。
◆烧结体立方氮化硼车刀,其硬度仅次于金刚石、耐高温。HRC50以上的高硬度铁类材料很难功削,必须进行高速切削,而该车刀对这类材料具有强优的切削刀、耐久。它最适合淬火合金钢、工具钢、耐热钢和耐热合金的切削。
适于非铁金属和非金属物件的切削。
◆烧结体立方氮化硼车刀,其硬度仅次于金刚石、耐高温。HRC50以上的高硬度铁类材料很难功削,必须进行高速切削,而该车刀对这类材料具有强优的切削刀、耐久。它最适合淬火合金钢、工具钢、耐热钢和耐热合金的切削。
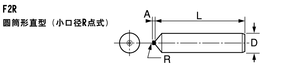
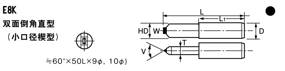
《烧结体车刀的形状 》
金刚石修整机
◆特选优质金刚石,烧结安装而成。修整机的选择,要根据磨石种类和作业性质而定。
CBNコンパクト工具の特徴
◆特选优质金刚石,烧结安装而成。修整机的选择,要根据磨石种类和作业性质而定。






























